Product Summary
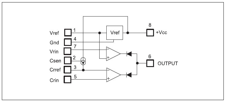
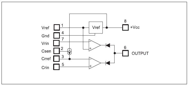
The TSM101ACD integrated circuit incorporates a high stability series band gap voltage reference, two ORed operational amplifiers and a current source. This IC compares the DC voltage and the current level at the output of a switching power supply to an internal reference. It provides a feedback through an optocoupler to the PWM controller IC in the primary side. The controlled current generator can be used to modify the level of current limitation by offsetting the information coming from the current sensing resistor.
Parametrics
Absolute maximum ratings: (1)DC supply Voltage, VCC: 36V; (2)Output Current, Iout: 20mA; (3)Power Dissipation, Pd:200mW; (4)Input Voltage, Vin: -0.3 to VCC-1.5V; (5)Input Current, Iout: ±1mA; (6)Storage Temperature, Tstg: -40 to +125℃; (7)Maximum Junction Temperature, Tj: 150℃; (8)Thermal Resistante Junction to Ambiant, Tthja: 130 to 200℃/W.
Features
Features: (1)1.24V series voltage reference with 10mA output current and 1% precision (TSM101A); (2)two operational amplifiers with ored output and 1MHZ gain bandwidth product; (3)built-in current generator with enable/ disable function; (4)4.5 TO 32V supply voltage range; (5)SO8 and DIP8 packages.
Diagrams

| Image | Part No | Mfg | Description | ![]() |
Pricing (USD) |
Quantity | ||||||||||||
|---|---|---|---|---|---|---|---|---|---|---|---|---|---|---|---|---|---|---|
![]() |
![]() TSM101ACD |
![]() STMicroelectronics |
![]() Switching Converters, Regulators & Controllers Voltage/Current Cont |
![]() Data Sheet |
![]()
|
|
||||||||||||
![]() |
![]() TSM101ACDT |
![]() STMicroelectronics |
![]() DC/DC Switching Controllers Voltage/Current Cont |
![]() Data Sheet |
![]()
|
|
||||||||||||
(Hong Kong)




